2-DAY $10 SHIPPING OR FREE SHIPPING OVER $250 **

shipping policy

Search
•Real time inventory
•Fast and reliable shipping
•Orders before 3pm(PST) ship same day

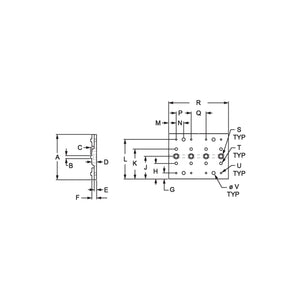
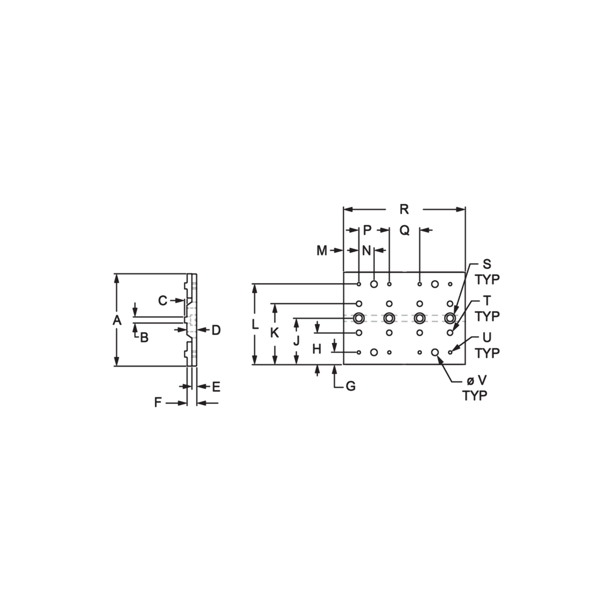
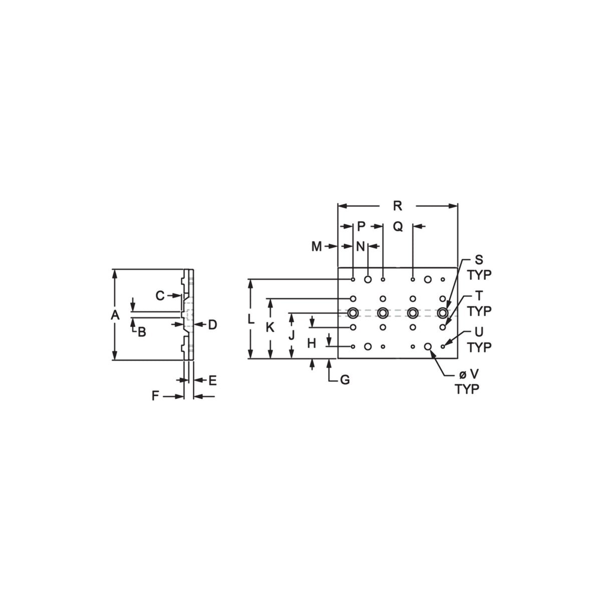
80/20 | 15 Series Double Long UniBearing™ | 6866


Mfr. Part #: 6866

2 in stock | Need More? >>


Ships same day with standard 2-day shipping if ordered M-F before 3PM PT.

Pickup Available at Livermore

ID #: 30226

  • The double long UniBearing™ has an open design that enables customized layouts. It is an option that is commonly used in applications with two guiderails. The UniBearing™ is easy to quickly install or remove without taking it apart, allowing reduced retooling and downtime and increased productivity and flexibility. The pads are mounted using stainless steel flathead socket cap screws that secure it to the housing and eliminate the need for high-cycle pads. The bearing can move or be fixed; when fixed, it allows the guardrail and assembly to move. All UniBearings™ come with pre-drilled brake holes and tapped mounting holes that enable attachment of accessories to a flat surface.
  • Product Resources

Infographic of Motion Controls and Hydraulics by TECO Technology

Let us help with your project

Interested in integrating these products into your application? Connect with us today and discover why customers have trusted us since 1937

Teco 80/20 Services

TECO HQ is home to a state of the art services department! We have 80/20 specialists available to help you with any solution.

Call us today to configure what you have in mind!

Our services starts the moment you buy a component, but it doesn't stop there...

Search

View My Stats