2-DAY $10 SHIPPING OR FREE SHIPPING OVER $250 **

shipping policy

Search
•Real time inventory
•Fast and reliable shipping
•Orders before 3pm(PST) ship same day

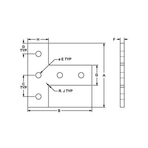
80/20 | 15 Series 5 Hole T Joining Plate | 4480


Mfr. Part #: 4480

10 in stock | Need More? >>


Ships same day with standard 2-day shipping if ordered M-F before 3PM PT.

Pickup Available at Livermore

ID #: 27477

  • The 5 hole - "T" flat plate is a strong, external fastening method offering a long-lasting connection. This flat plate creates a 90-degree angle between connecting profiles. The fastener is flush with the profiles, allowing for a larger clearance area. It requires no machining services, is easy to assemble, and can be reconfigured and reused.

    Tip: Use double or triple slide-in economy T-nuts to save time and money. Pre-load your hardware prior to connecting profiles to simplify your assembly.

    Quick Ship

  • Product Resources

Infographic of Motion Controls and Hydraulics by TECO Technology

Let us help with your project

Interested in integrating these products into your application? Connect with us today and discover why customers have trusted us since 1937

Teco 80/20 Services

TECO HQ is home to a state of the art services department! We have 80/20 specialists available to help you with any solution.

Call us today to configure what you have in mind!

Our services starts the moment you buy a component, but it doesn't stop there...

Video Resources

Search

View My Stats